HSR-H manual/semi-automatic collet
Compared with the previous collet housing, the HSR-H manual/semi-automatic collet housing provides you with a faster and more convenient tool changing mode, which simplifies your operation process, makes your production more efficient, and makes your process more flexible. The easy installation mode allows you to build a clamping system more quickly, and our built-in multiplier design, provides you with greater clamping force, making your tool more stable in the processing.
Product Advantages
1.Grip holders can be changed quickly to increase production speed.
2.Easy installation and quickly build clamping system.
3.Change design quickly, provide flexible process.
4.Built-in multiplier design, provide large clamping force.
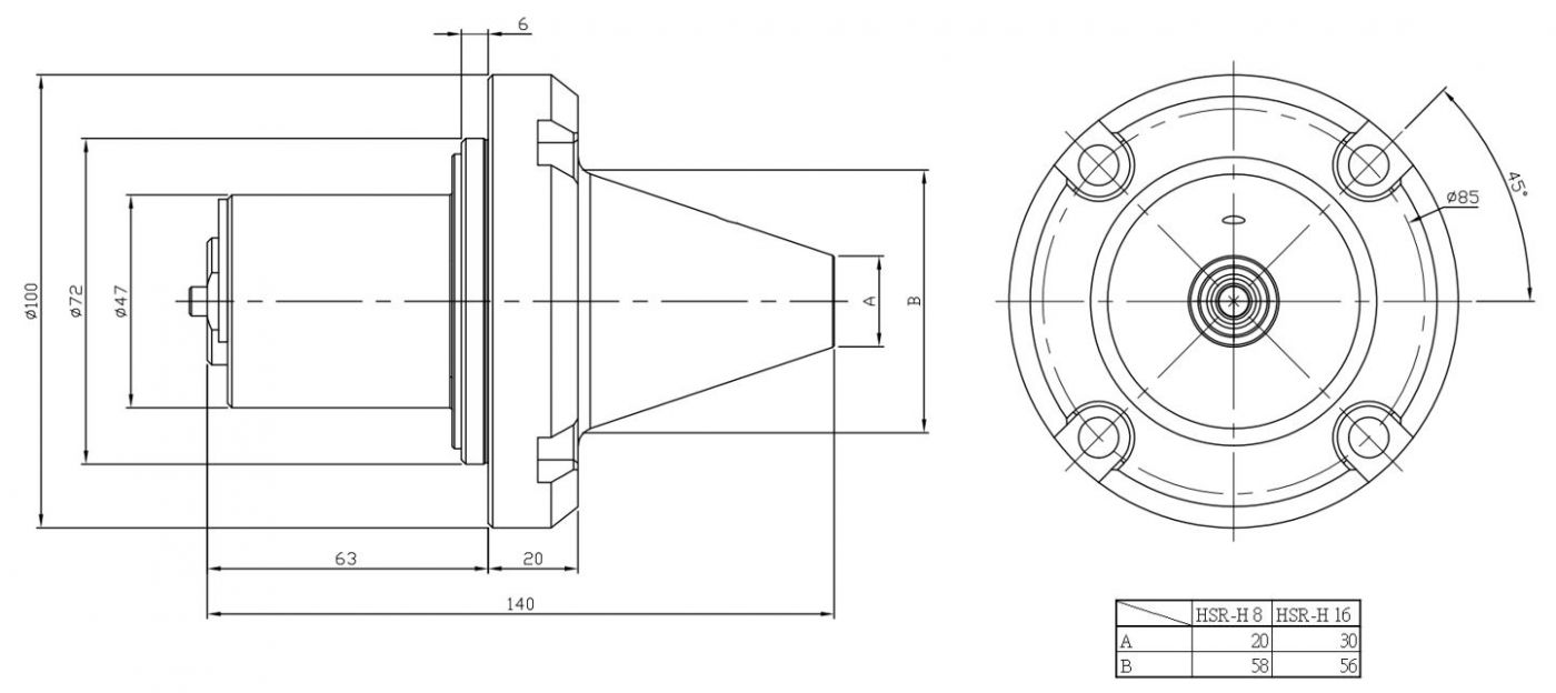
Specifications

1.Grip holders can be changed quickly to increase production speed.
2.Easy installation and quickly build clamping system.
3.Change design quickly, provide flexible process.
4.Built-in multiplier design, provide large clamping force.
Specifications




